BASIC 3D PIPING 2018
เหมาะสำหรับผู้ที่ต้องการเริ่มต้นเขียนแบบ Piping 3D กับซอฟต์แวร์ที่ใช้ในระดับมืออาชีพ เพื่อลดขั้นตอนการเขียนแบบที่ ซ้ำซ้อน และในบทเรียนได้สอนให้ทำความเข้าใจถึงระบบงาน
Create Project →Equipment →Structure →3D Piping →Isometric piping →Report → Navisworks
เพื่อให้ผู้เรียนเริ่มต้นอาชีพนี้ด้วยความเข้าใจที่ถูกต้อง
ความต้องการเบื้องต้นของผู้เรียน
- สามารเรียนรู้ด้วยตัวเองผ่านระบบออนไลน์ได้
- ทักษะการใช้งานคอมพิวเตอร์เบื้อต้น
- ทักษะพื้นฐานการเขียนแบบด้วยคอมพิวเตอร์เบื้องต้น
เนื้อหาบทเรียน
Create Project and Parametric equipment.
ในบทเรียนนี้ ผมจะได้กล่าวถึงเรื่องการพิจารณา North plant และ Layout plan รวมถึงเรื่องการตรวจสอบ
Elevation ในแต่ละส่วนก่อนที่จะสร้าง และวาง Equipment ลงใน Layout plant ซึ่งจะมีผลกับการที่โปรแกรมต้องระบุค่า E, N, EL ในแบบ Isometric piping ครับ
Parametric 3D Equipment.
หัวข้อที่จะได้เรียนรู้
1. การสร้าง และการจัดการโปรเจค
2. การนำไฟล์ Layout plan มาใช้ในโครงการ
3. สร้างถังแนวตั้งด้วย Parametric Equipment
4. การสร้าง และแก้ไข Nozzle ของ Equipment
5. การแนบไฟล์ Layout plan และการเคลื่อนย้ายวัตถุในงาน 3DModeling
6. Unreconciled new layer
7. การควบคุมโมเดลด้วย View and Virtual style control
8. การย้ายวัตถุ ด้วยคำสั่ง Move ใน 3D model
9. การใช้คำสั่ง Rotate ใน 3D model
10. การเรียกใช้งาน Footing
11. การใช้งาน และการตั้งค่า 3D Parametric Pump
12. ทดสอบ 3D Pipe routing.
Steel Structure
สำหรับเนื้อหาในบทเรื่องนี้ ผู้เรื่องจะได้เรียนรู้การนำ Structure member จากโปรแกรม นำมาขึ้นเป็น 3D Platform รวมถึงการใช้ 3D Gridline เพื่อให้การขึ้น Structure Model นั้นง่ายยิ่งขึ้น
Structure Model
หัวข้อที่จะได้เรียนรู้
5. การใช้งาน Catalog Structure JIS
6. การใช้งาน Plate
7. การตั้งค่า Member และการใช้งาน Structure (Column)
8. การแก้ไข Structure (Beam)
9. วิธีเปลี่ยน Line ให้เป็น Member
10. วิธีการตัด และตกแต่ง Member
11. วิธีการสร้าง บันไดด้วย คำสั่ง Stair
12. วิธีการสร้างบันไดลิง ด้วยคำสั่ง Ladder
13. วิธีการสร้าง Grating
14. วิธีการสร้าง ราวบันได (Railing)
15. วิธีการใช้เครื่องมือในกลุ่ม Edit member เพื่อตกแต่งราวบันได
16. วิธีการสร้าง Grating จาก Solid Modeling
Basic 3D Pipe routing
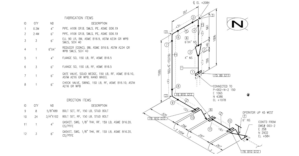
3D Piping ถือเป็นส่วนที่สำคัญของงานในโครงการ เพราะเป็นส่วนที่เชื่อมต่อกับ Equipment ในโครงการ โดยอ้างอิงข้อมูลการทำงานจาก P&ID รวมถึงการเลือกใช้อุปกรณ์ตามรายการ Piping spec ที่กำหนดไว้และแสดงข้อมูลทั้งหมดออกมาในรูปแบบของ 3D ซึ่งทำให้งานก่อนหน้านี้ที่มีความซับซ้อนในกระบวนการออกแบบ สามารถทำออกมาได้ง่าย รวดเร็ว และชัดเจนขึ้น และในตัวโปรแกรมเอง ยังสามารถทำแบบ Isogen หลังจากทำ Piping 3D ได้ทันที รวมถึงการทำภาพฉายจาก Orthographic ซึ่งทั้งสองส่วนนี้ จะช่วยลดกระบวนการทำซ้ำในงานแบบได้มากกว่า50 % ซึ่งหมายถึงประสิทธิภาพในการทำงานที่เพิ่มขึ้น ความถูกต้อง และความสวยงานจากแบบในโครงการ และโปรแกรมยังมี Report Creator ซึ่งจะช่วยผู้ที่ทำงาน สามารถสรุปข้อมูลรายการ Bill Of Material ประเภทต่างๆ ได้อย่างรวดเร็ว ซึ่งทำให้สามารถทราบจำนวนเงินที่ต้องลงทุนในโครงการได้อย่างแม่นยำ
หัวข้อที่จะได้เรียนรู้
17. อ้างอิงการเดินท่อจาก P&ID line list.
18. การเดินท่อสามมิติ และการปรับระนาบในการเดินท่อ
19. การวาง และการปรับตำแหน่งระยะของ Strainer บนท่อ
20. การเรียกใช้งานวาล์ว และการ Assign Tag
21. การเรียกใช้งาน Pipe support และการกำหนด Tag
22. สร้างแบบ Isometric Piping ด้วยคำสั่ง Quick Isos
23. การใช้คำสั่ง Copy with base point
24. การจัดท่อในแนวราบ ด้วยคำสั่ง Move part
25. การควบคุมความสูงท่อด้วยคำสั่ง Change pipe Elevation
26. การเลือกจุดอ้างอิงการเดินท่อในรูปแบบต่างๆ
27. การกำหนดระยะ Pipe spool กับ Valve ด้วยคำสั่ง Base Component
28. เทคนิคการวางท่อในระดับ และมุมที่ต่างกัน
Isometric piping drawing.
ผู้เรียนจะได้เรียนรู้การจัดการ และการตั้งค่า Isometric drawing เบื้องต้น รวมถึงข้อกำหนดที่สำคัญต่างๆของการตั้งค่า ก่อนที่จะนำแบบ Isometric นั้น ออกไปใช้งานเพื่อการผลิต
หัวข้อที่จะได้เรียนรู้
29. วิธีกำหนด Insulation ในไปในท่อ
30. การเพิ่มจุดเชื่อมลงไปในท่อ
31. การกำหนด Field Weld.
32. วิธีฝังข้อความลงในแบบ Isometric
33. Isometric Drawing setting.
34. วิธีการกำหนดการแบ่ง Isogen ด้วยตัวเอง
35. Export แบบ Iso จาก 3D Modelling
Orthographic drawing.
ผู้เรียนจะได้เรียนรู้การตั้งค่าที่สำคัญ ก่อนที่จะนำโมเดลมาทำภาพฉายใน Orthographic รวมถึงการเพิ่มมาตราส่วน และการเรียกใช้กลุ่มข้อมูล TAG แสดงลงในแบบ Orthographic

หัวข้อที่จะได้เรียนรู้
36. สร้างภาพฉายจาก 3D model ด้วยคำสั่ง Orthographic
37. วิธีการแก้ไขภาพฉายใน Orthographic
38. การเพิ่มมาตราส่วนลงไปใน Ortho.
39. การสร้างภาพฉายด้วยคำสัง Adjacent view
40. การสร้าง Section view.
41. การให้ขนาด และการเรียกใช้ Annotation
42. วิธีการอัพเดทจาก 3D Model ไปยัง Ortho
43. การเรียกใช้งาน Report เพื่อดู Part list ทั้งหมดในโปรเจค
| คอร์สออนไลน์ |
|---|
You must be logged in to post a review.










รีวิว
ยังไม่มีบทวิจารณ์